DLTZ1系列電磁失電制動器
1、簡介
DLTZ1系列電磁失電制動器為通電脫離(釋放),斷電彈簧制動的摩擦式制動器。它主要與Y系列電動配套成YEJ系列電磁制動三相異步電動機。廣泛應用于冶金、建筑、化工、食品、機床、包裝等機械中,及在斷電時(防險)制動等場合。這種制動器具有結構緊湊、安裝方便、適用性廣、噪聲低、工作頻次高、動作靈敏、制動可靠等優點,是一中理想的自動化執行元件。
2、性能參數:
| 參數 | DLTZ1-05 | DLTZ1-08 | DLTZ1-15 | DLTZ1-30 | DLTZ1-40 | DLTZ1-80 | DLTZ1-150 |
| 配套YEJ電機機座號 | 71 | 80 | 90 | 100 | 112 | 132 | 160 |
| 額定力距(N.m) | 5 | 8 | 15 | 30 | 40 | 80 | 150 |
| 額定功率 P20 ℃ (W) | 30 | 40 | 55 | 70 | 85 | 90 | 120 |
| 接通時間 (≤ms) | 63 | 87 | 110 | 140 | 152 | 165 | 214 |
| 斷開時間 (≤ms) | 55 | 72 | 95 | 120 | 130 | 140 | 180 |
| 最大工作氣隙& max(mm) | 0.8 | 1 | 1 | 1 | 1 | 1.2 | 1.2 |
| 額定電壓 (V DC) | 99/170 | 99/170 | 99/170 | 99/170 | 99/170 | 99/170 | 99/170 |
| 允許最高工作轉速 (rpm) | 3000 | 3000 | 3000 | 3000 | 3000 | 3000 | 3000 |
3、安裝:

安裝注意事項摩擦片及銜鐵表面不得有油污,必須保持清潔。安裝時必須保證氣隙“&”。花鍵套不得有軸向竄動。安裝后必須旋出空心螺栓鎖緊在電機后端蓋或法蘭盤上。
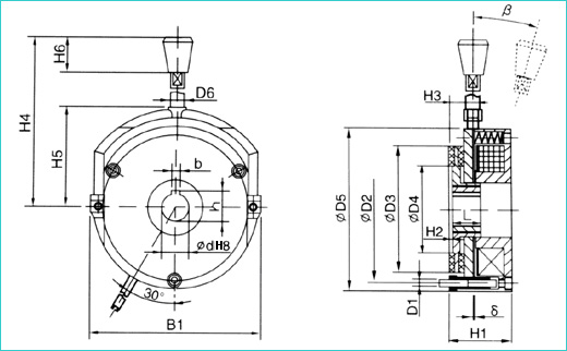
4、外形及安裝尺寸:
| 尺寸 | d | D1 | D2 | D3 | D4 | D5 | D6 | b | h | H1 | H2 | H3 | H4 | H5 | H6 | L | δ | β |
| DLTZ1-05 | 14.8 | 3×M5 | 90 | 78 | 51 | 102 | 10 | 5 | 16.2 | 39 | 2 | 21 | 120 | 60 | 25 | 20 | 0.3 | 12° |
| DLTZ1-08 | 19.8 | 3×M5 | 105 | 92 | 65 | 118 | 10 | 6 | 21.6 | 47 | 3 | 21 | 135 | 75 | 25 | 20 | 0.3 | 12° |
| DLTZ1-15 | 24.8 | 3×M6 | 114 | 98 | 65 | 128 | 10 | 8 | 28.1 | 54 | 3 | 24 | 140 | 80 | 25 | 25 | 0.4 | 10° |
| DLTZ1-30 | 29.5 | 3×M6 | 133 | 118 | 80 | 147 | 10 | 8 | 32.8 | 54.5 | 3 | 24.5 | 150 | 90 | 25 | 30 | 0.4 | 10° |
| DLTZ1-40 | 29.5 | 3×M8 | 150 | 131 | 90 | 167 | 12 | 8 | 32.8 | 55 | 3 | 25 | 180 | 102 | 32 | 30 | 0.5 | 8° |
| DLTZ1-80 | 39.5 | 3×M8 | 170 | 151 | 104 | 188 | 12 | 12 | 42.8 | 66 | 3 | 29 | 195 | 112 | 32 | 30 | 0.5 | 8° |
| DLTZ1-150 | 44.5 | 4×M10 | 202 | 181 | 120 | 222 | 12 | 12 | 47.8 | 72 | 3.5 | 34 | 275 | 133 | 32 | 35 | 0.6 | 8° |
5、安裝示意圖

1、電機端蓋 2、空心螺栓裝置 3、制動盤 4、銜鐵 5、手動釋放裝置 6、花鍵套 7、磁軛組件 8、安裝螺栓
6、整流裝置線路
該系列制動器的電壓為直流電壓,一般為99V和170V。
本公司有ZL和KZL兩種專為制動器配套的整流電源,其功能為慢制動和快制動,具有輸出和輸入線路,保護電路,體積小,性能可靠,可直接裝在電機接線合內。
DLTZ1-05 DLTZ1-08 DLTZ1-15 DLTZ1-30 DLTZ1-40 DLTZ1-80 DLTZ1-150 配套YEJ電機機座號71 80 90 100 112 132 160 額定力距(N.m) 5 8 15 30 40 80 150 額定功率 P20℃ (W) 30W 40W 55W 70W 85W 90W 120W 額定電壓(V DC) 99/170 允許最高工作轉速 (rpm) 3000