SDZ1系列電磁失電制動器
1、簡介
SDZ1系列電磁失電制動器為通電脫離(釋放),斷電彈簧制動的摩擦式制動器。它主要與Y系列電動配套成YEJ系列電磁制動三相異步電動機。廣泛應用于冶金、建筑、化工、食品、機床、包裝等機械中,及在斷電時(防險)制動等場合。
這種制動器具有結構緊湊、安裝方便、適用性廣、噪聲低、工作頻次高、動作靈敏、制動可靠等優點,是一中理想的自動化執行元件。
2、性能參數:
|
型號/參數 |
SDZ1-05 |
SDZ1-08 |
SDZ1-15 |
SDZ1-30 |
SDZ1-40 |
SDZ1-80 |
SDZ1-150 |
|
配套YEJ電機機座號 |
71 |
80 |
90 |
100 |
112 |
132 |
160 |
|
額定力距(N.m) |
5 |
7.5 |
15 |
30 |
40 |
80 |
150 |
|
額定功率 P20 ℃ (W) |
30 |
40 |
55 |
70 |
85 |
90 |
120 |
|
接通時間 (≤ms) |
63 |
87 |
110 |
140 |
152 |
165 |
214 |
|
斷開時間 (≤ms) |
55 |
72 |
95 |
120 |
130 |
140 |
180 |
|
最大工作氣隙& max(mm) |
0.8 |
1 |
1 |
1 |
1 |
1.2 |
1.2 |
|
額定電壓 (V DC) |
24/99/170 |
||||||
|
允許最高工作轉速 (rpm) |
3000 |
||||||
3、安裝:
安裝注意事項
摩擦片及銜鐵表面不得有油污,必須保持清潔。
安裝時必須保證氣隙“&”
花鍵套不得有軸向竄動
安裝后必須旋出空心螺栓鎖緊在電機后端蓋或法蘭盤上
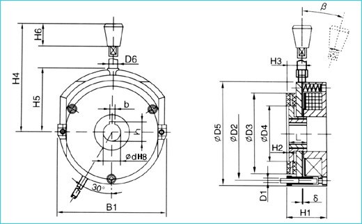
4、外形及安裝尺寸:

|
型號/尺寸 |
d |
D1 |
D2 |
D3 |
D4 |
D5 |
D6 |
b |
h |
H1 |
H2 |
H3 |
H4 |
H5 |
H6 |
L |
δ |
β |
|
SDZ1-05 |
14.8 |
3×M5 |
90 |
78 |
51 |
102 |
10 |
5 |
16.2 |
39 |
2 |
21 |
120 |
60 |
25 |
20 |
0.3 |
12° |
|
SDZ1-08 |
19.8 |
3×M5 |
105 |
92 |
65 |
118 |
10 |
6 |
21.6 |
47 |
3 |
21 |
135 |
75 |
25 |
20 |
0.3 |
12° |
|
SDZ1-15 |
24.8 |
3×M6 |
114 |
98 |
65 |
128 |
10 |
8 |
28.1 |
54 |
3 |
24 |
140 |
80 |
25 |
25 |
0.4 |
10° |
|
SDZ1-30 |
29.5 |
3×M6 |
133 |
118 |
80 |
147 |
10 |
8 |
32.8 |
54.5 |
3 |
24.5 |
150 |
90 |
25 |
30 |
0.4 |
10° |
|
SDZ1-40 |
29.5 |
3×M8 |
150 |
131 |
90 |
167 |
12 |
8 |
32.8 |
55 |
3 |
25 |
180 |
102 |
32 |
30 |
0.5 |
8° |
|
SDZ1-80 |
39.5 |
3×M8 |
170 |
151 |
104 |
188 |
12 |
12 |
42.8 |
66 |
3 |
29 |
195 |
112 |
32 |
30 |
0.5 |
8° |
|
SDZ1-150 |
44.5 |
4×M10 |
202 |
181 |
120 |
222 |
12 |
12 |
47.8 |
72 |
3.5 |
34 |
275 |
133 |
32 |
35 |
0.6 |
8° |
5、安裝示意圖
1、電機端蓋 2、空心螺栓裝置 3、制動盤 4、銜鐵 5、手動釋放裝置 6、花鍵套 7、磁軛組件 8、安裝螺栓
合肥拓珂電氣有限公司
電話:0551-67707060 手機:18356999112
Q Q:306201300 郵箱:306201300@qq.com
拓珂電氣,你身邊的傳動專家~
SDZ1-02,SDZ1-04,SDZ1-08,SDZ1-15,SDZ1-30,SDZ1-40,SDZ1-80,SDZ1-150, 電磁失電制動器SDZ1-200,SDZ1-300,SDZ1-450,SDZ1-600,SDZ1-850,SDZ1-2000,電磁失電制動器 DZS3-2000,DZS3-05,DZS3-08,DZS3-15,DZS3-30,DZS3-40,DZS-40A,電磁失電制動器 DZS3-80,DZS3-150,DZS3-200,DZS3-300,DZS3-450,DZS3-600,DZS3-850,電磁失電制動器 DZS2-2000,DZS2-05,DZS2-08,DZS2-15,DZS2-30,電磁失電制動器 DZS2-40,DZS2-80,DZS2-150,DZS2-200,DZS2-300,電磁失電制動器 DZS2-450,DZS2-600,DZS2-850